您的位置:主页 > 民用级 > 贵金属电刷 >
产品名称:KV-P066
资料下载:
产品特质:

1、接触顶点:作用是跟电阻体表面滑动已改变电阻的输出,接触方式分两种 圆弧接触
点的优势在于不易变形相对短期内比较稳定,劣势在圆弧顶点在一定周期内会磨成接触面,
且越磨越大。进而影响产品的分辨率,以及信号的稳定性。
2、电导体合金丝:用于电讯好的传输,也能起到接触性能的缓冲时所需要少量的弹性
3、熔接点:此处用于连接电导体合金丝与支架,行程完整的电刷结构
4、支架:作用是固定电刷的位置,提供长期弹性贴合电阻表面
5、自由高:电刷本身形状的高度
6、使用高:电刷工作状态下的高度

性能需求:

1.基础材料:三元合金1/2 H
2.厚度 :0.08 MM
3.硬度 :HV 330±30
4.同方向每根导线高度差异:0.05 MM
5.工作压力 :40gF
6.公差值:尺寸±0.1 角度±1

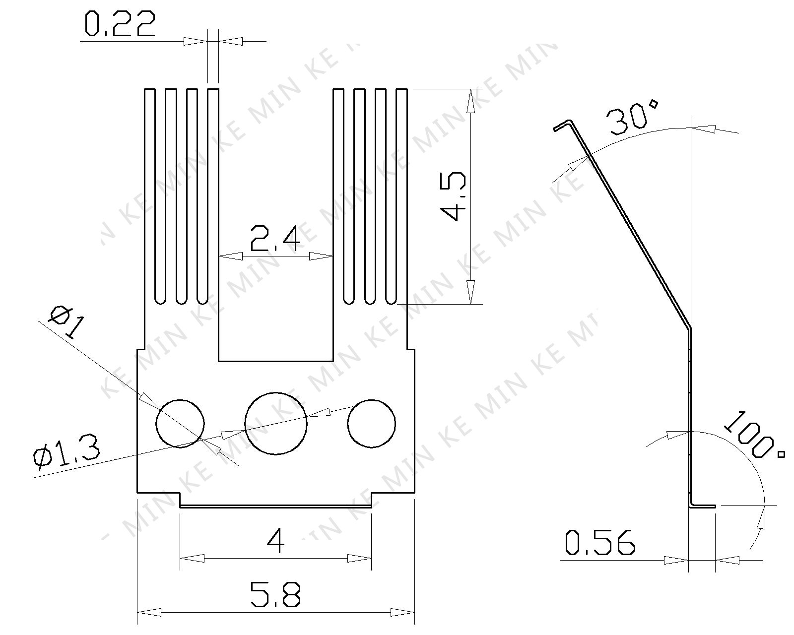
产品图纸:


               

在线询价

用手机扫描二维码关闭